AI for Automation
Back to AI News
2026-03-21Claude CodeAI automationno-codeindustrial engineeringAI toolsvibe coding

He can't code — the app he built with AI stunned a factory

A Houston mechanical engineer with zero coding experience built an industrial piping app with Claude Code in 8 weeks. It processes 100 drawings in 5 minutes — work that used to take days.


Cory LaChance is a mechanical engineer in Houston who works with chemical plants, refineries, and terminals. He reads piping isometric drawings for a living — dense, complex blueprints that map every weld, material spec, and commodity code in an industrial piping system.

He has zero coding experience. No CS degree, no bootcamp, no side projects. But eight weeks ago, he opened Claude Code for the first time — and what he built has his entire fabrication shop talking.

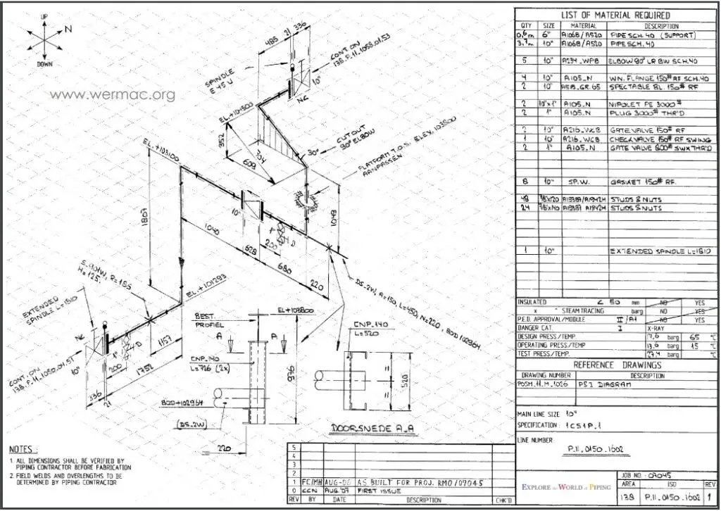
A piping isometric drawing showing pipes, fittings, valves, and material specifications — the type of industrial blueprint LaChance's AI app now reads automatically

A piping isometric drawing — the kind of complex industrial blueprint LaChance's app now reads automatically. Source: What Is Piping

From 10 minutes per drawing to 60 seconds

LaChance built a full application that reads piping isometric drawings and automatically extracts every weld count, every material spec, and every commodity code — then outputs it all to a clean Excel spreadsheet.

Before the app, this was a manual process. An experienced engineer would spend about 10 minutes per drawing, carefully identifying each component. For a batch of 100 drawings, that's nearly 17 hours of focused work — roughly two full working days.

The numbers that stunned his coworkers

Before AI: 10 minutes per drawing, done by hand

After AI: 60 seconds per drawing, fully automated

Batch mode: 100 drawings in 5 minutes flat

Build time: 8 weeks, from zero coding knowledge

Outside help: None. Just the AI.

"I literally did this with zero outside help other than the AI"

LaChance didn't hire a developer. He didn't take a course. He sat down with Claude Code — Anthropic's terminal-based AI coding agent — and started describing what he needed.

"I literally did this with zero outside help other than the AI," LaChance said. "My favorite tools are screenshots, step-by-step instructions, and asking Claude to explain things like I'm five."

Over eight weeks, he simultaneously learned how to use Claude Code, navigate the terminal (the text-based interface developers use to run commands), and work with VS Code (a popular code editor). The AI walked him through every step.

His fabrication shop now uses the app every single day.

Why Silicon Valley should be paying attention

The story caught the attention of Todd Saunders on X, who shared it with a pointed message for the tech industry:

"I know Silicon Valley startups don't want to hear this… But the combination of someone in the trades with deep domain expertise and Claude Code will run circles around your generic software."

The argument hit a nerve. A forum thread titled "Houston Mechanical Engineer + Claude Code = Silicon Valley's Nightmare" picked it up, drawing heated debate about whether domain experts with AI tools can replace traditional software teams.

Supporters argue LaChance proves a fundamental truth: the person who best understands the problem is now the person who can build the solution — no middleman required. Skeptics counter that other engineers could replicate his tool, questioning its commercial durability.

What this looks like in practice

Piping isometric drawings (commonly called "isos") are 2D representations of 3D piping systems. They're the universal language of industrial construction — every chemical plant, refinery, and processing facility runs on them. Each drawing contains pipe sizes, material grades, weld locations, valve types, and connection specifications.

Extracting this data manually requires deep domain knowledge. You need to know what every symbol means, how pipe schedules work, and which commodity codes map to which fittings. This is exactly the kind of specialized expertise that generic software companies can't easily replicate — but that LaChance carries in his head from years of hands-on work.

His app combines that domain knowledge with AI's ability to parse visual documents. The result is faster, more accurate, and built by the person who actually uses it.

Standard piping isometric symbols for fittings including elbows, tees, reducers, and flanges

Standard piping isometric symbols — the visual language LaChance taught AI to read. Source: What Is Piping

The trades are starting to notice AI

LaChance's story is part of a growing pattern. Blue-collar professionals and tradespeople — people who've never written a line of code — are discovering that AI coding tools let them automate the tedious parts of their jobs.

The key ingredient isn't programming skill. It's domain expertise. A piping engineer knows exactly what data needs to be extracted and why. A developer without that knowledge would need weeks of interviews just to understand the problem. LaChance skipped that entire step because he is the domain expert.

If you work in a specialized field — construction, manufacturing, logistics, healthcare admin — and you've ever thought "I wish someone would build software for this specific problem," tools like Claude Code are making it possible to build it yourself.

Want to try it yourself?

Claude Code is Anthropic's terminal-based AI coding agent. You describe what you want in plain English, and it writes, runs, and debugs the code for you.

# Install Claude Code (requires Node.js)
npm install -g @anthropic-ai/claude-code

# Start a new project
mkdir my-project && cd my-project
claude

LaChance's advice: use screenshots to show Claude what you're working with, ask it to explain things simply, and take it one step at a time.

Related ContentGet Started with Easy Claude Code | Free Learning Guides | More AI News

Stay updated on AI news

Simple explanations of the latest AI developments